
Capacitor Selection For Coupling And Decoupling Applications

What S The Use Of A Decoupling Capacitor Near A Reservoir

Capacitors In Guitar Amps


Decoupling Capacitor Vs Bypass Capacitor Working

Teflon Coupling Capacitors More No Gain No Pain Tube

What Is A Coupling Capacitor

Types Of Tuned Amplifiers Tutorialspoint
0v For The Power Supply What Will The Approximate Voltage
Rc Coupled Amplifier Electrical4u

Us 11 81 15 Off 3 3uf 400vdc Axial Audiophiler Mkp Coupling Capacitor Audio Grade For Tube Guitar Amp Speaker Crossover Hifi Audio Diy In Amplifier

Details About Pass Aca 5w Single Ended Class A Fet Mos Amplifier Stereo Bulk Kit Board

Solved Problem 1 A An Amplifier Circuit Is Shown Below

Amplifier Frequency Response Ppt Video Online Download
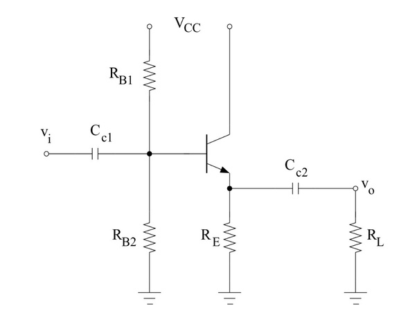
Why Do We Use Coupling Capacitors Cc1 Cc2 In Small

What S The Use Of The Bypass Capacitor On The Lm380
Comments
Post a Comment