Fairchild alldatasheet datasheet datasheet search site for electronic components and semiconductors integrated circuits diodes triacs and other semiconductors. C9013 c9013 datasheet c9013 npn small signal transistor datasheet buy c9013 transistor.

Kec Semicon Ktc9013 H Pc Pdf Datasheet Transistors Npn

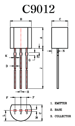
C9013 Transistor Pin Out Transistor Bc557 212

This Is A Simple Active Speaker Protector Circuit Which Has
S9013 datasheet s9013 pdf s9013 data sheet s9013 manual s9013 pdf s9013 datenblatt electronics s9013 alldatasheet free datasheet datasheets data sheet.

Data transistor c9013. 1w output amplifier of potable radios in class b push pull operation s9013 datasheet s9013 circuit s9013 data sheet. C9013 datasheet c9013 pdf c9013 data sheet c9013 manual c9013 pdf c9013 datenblatt electronics c9013 alldatasheet free datasheet datasheets data sheet. Ss9013 npn epitaxial silicon transistor 1w output amplifier of potable to 92 radios in class b push pull operation.
Collector npn epitaxial silicon transistor absolute maximum ratings ta25c unless otherwise noted symbol parameter ratings units vcbo collector 15. C9013 datasheet vcbo 40v npn transistor kec. C9013 datasheet vcbo 40v npn transistor kec ktc9013 datasheet 2sc9013 datasheet c9013 pdf c9013 pinout c9013 schematic c9013 equivalent.
Kec alldatasheet datasheet datasheet search site for electronic components and semiconductors integrated circuits diodes triacs and other semiconductors. Parameter collector base voltage collector emitter voltage emitter base voltage collector current continuous collector dissipation junction temperature storage temperature 2. Epitaxial planar npn transistor general purpose switching c9013 datasheet c9013 circuit c9013 data sheet.
Posted on may 17 2016 september 17 2019 by pinout. Maximum ratings ta250c unless otherwise noted value 40 25 500 625 150 55 150 units ma symbol vcbo vceo vebo. Semiconductor ftc9013s technical data x general purpose transistors npn silicon feature 3 we declare that the material of product compliance with rohs requirements 2 ordering information 1 device package shipping sot 23 ftc9013sx sot 23 ftc9013sx 10000tapereel sot 23 3 collector maximum ratings 1 rating symbol value unit base collector.

Create A Simple Automatic Lamp Electronic Blog

Pdf Utc9013 Datasheet Transistor Datasheetspdf Com

Transistors Mos Fets Kp Components Inc

Fyp Project Emergency 12v Lighting Controller March 2012

Mini Emergency Light Circuits Eleccircuit Com

Transistor Tt2170 Datasheet D718 Datasheet Data Sheet Pdf
S9013 Npn Small Signal Transistor Npn Transistor Silicon

C9013 Vcbo 40v Npn Transistor Kec Datasheetgo Com

2n4401 Transistor Pinout Features Equivalent Details

Ktc9013 C9013 Transistor Pinout Datasheet

Details About 10pcs Ktc9013 G C9013 G Genuine New Kec To 92

4 Preamplifier Circuits Using Transistors Eleccircuit Com
Comments
Post a Comment