These products are available in through hole smd or chassis mounted assemblies. The tradeoff here is between choosing a smaller r sense at the expense of increasing the gain and a higher value current sense resistor at the expense of using a larger higher power current.

A Brief Overview Of Allegro Acs712 Current Sensor Part 1

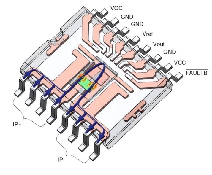
4 3 Current Sensor Low Voltage Bms Project

Switch Mode Power Supply Compensating For Voltage Drop
Current sensing techniques include shunt resistor current transformers and rogowski coils magnetic field based transducers and others.

Define current sense resistor. A current sense resistor is a resistor used to sense the current in a circuit and is usually a low value and may be a 4 terminal resistor. Vishay current sense resistors include high power wirewound devices power metal strip resistors with ultra low resistance values and devices built on thick film technologies. Specifying a shunt resistor.
The designer chooses the allowable voltage drop across the shunt resistor. The stability and accuracy of the sense resistor versus all currents improves with a constant value shunt resistor. The resistor may be located in the circuit or in the meter.
For example a shunt resistor rated with 100a and 50mv has a resistance of 50 100 05 mohm. The current value may be directly displayed by an instrument or converted to digital form for use by a monitoring or control system. A current sense resistor helps measure the amount of current that is flowing in a electrical system.
A resistor can moderate the amount of current so that it doesnt damage the receiving object. A resistor is a passive two terminal electrical component that implements electrical resistance as a circuit element. Shunt resistors have a maximum current rating.
It senses current by converting it to a low value voltage which is read by a voltmeter. If youre amplfying the voltage drop across the sense resistor and digitizing that voltage it makes a difference. When measuring current with a shunt resistor what side of the load do you put it on.
For this discussion assume the. It senses the current that is coming from the power source and flowing into the object that needs it to function. For most current sensing applications the minimum and maximum measurable currents are known.
The resistance value is given by the voltage drop at the maximum current rating. Bourns current sense pulse power and high power resistors are used in snubbers and current sensing in power supply and electric motor control such as electric welding heaters power steering and many more. In electronic circuits resistors are used to reduce current flow adjust signal levels to divide voltages bias active elements and terminate transmission lines among other uses.
Several parameters are important to specify a shunt resistor.

Calculating Accuracy In High Side Current Sense Amplifiers

Current Sense Resistors Shunt Resistors

Shunt Electrical Wikipedia

Using Precision Current Sensing To Optimize System

Building A Smart Master Slave Switch

Shunt Resistors Current Sense Shunt Resistors Ele Basics

Shunt Resistors Current Sense Shunt Resistors Ele Basics

10 Tips For Designing With Current Sense Resistors

Practical Considerations For Advanced Current Sensing In

Feature Usage And Trend Of Current Sensing Resistors

What Is The Idea Of The Current Mirror With Two Emitter
Current Sense Resistors Shunt Resistors
Comments
Post a Comment