
Kondensator Ceramiczny 100nf 50v Fi 7 5x3 5mm 2 54mm Przewlekany Tht Npo 10 Luzem 25 85 C Ts15001h104zsbfa0r Suntan Rohs

Capacitors Tht Ceramic Sm Elektronik

Uklady Scalone Kondensatory Tranzystory Diody Led


Dioda Led I Kondensator Podlaczone Szeregowo Elektroda Pl

Dioda Led 5mm Zolta 10szt

Capacitors Tht Ceramic Sm Elektronik

Podstawy Elektroniki I Arduino Kurs Praktyczny 3 Rezystor I

Instagram Images And Videos Tagged With Circuitdesign Insgami

Capacitors Tht Ceramic Sm Elektronik

Us 2 81 1pc New Arrival Electronic Dice Diy Kit 5mm Red Led

Jak Sprawic By Dioda Led Mrugala Obwody Kierunkowskazow Led

Wskaznik Faz Obwodu Samodzielnie Wykonany Zrob To Sam

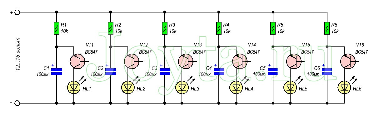
Multiwibrator Migacz Led Gotronik Comgotronik Com

High Speed Komponente Blei Bein Schneidemaschine Blei Cutter Fur Lose Widerstand Kondensator Diode Led Buy Widerstand Fuhren Cutter Kondensator

Uklad Dwoch Diod Migajacych Naprzemiennie Zupelnie Zieloni
Comments
Post a Comment