Electrical Rectifying And Photosensing Property Of Schottky

Velleman Usb Function Generator
Public Circuits Multisim Live


Figure 1 From A Nonlinear Electrical Circuit Exhibiting

Solved Pre Lab 1 Build The Circuits Shown In Figure 2 U

Help25 Mathskey Com

Digital Multimeter Function Generator 10 Digit Counter Model

Testing Nfet Body Diode With Function Generator Gas

Small Signal Behaviour Of The Pn Junction Diode
Lablab Rectifier Diode
Electronics Notes Introduction To Function Generator

Experiment No 3 Power Supplies And Linear Regulators Pdf

Solved 2 Investigate The Ac Behavior Of P N Rectifying D

Lab2report Lecture Notes 1 Data Science 2 Ic252 Studocu

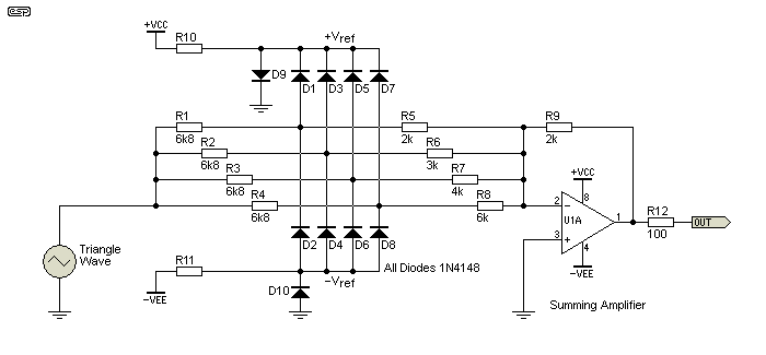
Esp Sinewaves
Comments
Post a Comment